会员登录 快速注册

搜索

刚刚公布!颍州区中考体育时间已确定!

[复制链接]
fyw 发表于 2021-3-25 11:01:50 | 显示全部楼层 |阅读模式
fyw
2021-3-25 11:01:50 3834 0 看全部
  各乡镇办事处中心校、区直属初中、辖区内各民办初中、实验中学、师大附中、开发区各初中:

  根据阜阳市教育局《关于做好2021年初中学业水平体育与健康学科考试工作的通知》(阜教体艺〔2021〕2号)文件精神,结合我区实际情况,现就做好2021年我区初中学业水平体育与健康学科考试工作通知如下,请遵照执行。

一、加强组织领导

  各有关学校要成立初中学业水平体育与健康学科考试工作领导组织,切实加强对考试工作各环节的领导,确保考试安全、顺利进行,使初中学业水平体育与健康学科考试工作成为加强学校体育、促进青少年学生健康成长的有效措施和制度保障。   

二、考试对象

  凡在颍州区报考我省普通高中、中等职业学校、五年制高职的应届、往届初中毕业生,均须参加颍州区教育局组织的初中学业水平体育与健康学科考试。

三、考试内容和项目

  1.初中学业水平体育与健康学科考试以《国家学生体质健康标准(2014年修订)》、教育部、国家体育总局2007年颁布施行的《国家学生体质健康标准》中初中三年级相关项目及教育部《学生足球运动技能等级评定标准》四级水平部分项目为基本内容。

  2.不再设必考项目。考生应参加2个项目的考试,考生从1000米跑(男生)、800米跑(女生)、坐位体前屈、立定跳远、足球折线运球、篮球运球、一分钟跳绳、掷实心球、50米跑、引体向上(男生)和1分钟仰卧起坐(女生)9个项目中选择2项。

四、考试成绩与评定

  2021年颍州区初中学业水平体育与健康学科考试成绩每个项目分值各30分,总分值为60分,计入升学录取总分。评分标准参照《国家学生体质健康标准(2014年修订)》和教育部、国家体育总局2007年颁布施行的《国家学生体质健康标准》初中三年级相关项目的评分标准及教育部《学生足球运动技能等级评定标准》四级水平执行,每单项成绩保留小数点后1位数,由市考试中心计入文化课成绩升学录取总分。

五、免考与缓考

  体育考试工作中,要按有关政策妥善处理好残疾、伤病考生的免考、缓考问题。

  1.因肢残丧失全部运动能力,可申请免考。经审批,获准免考的考生,其成绩按初中学业水平体育与健康学科考试总分的100% 计入中考总分。

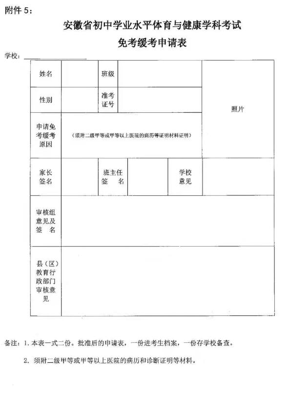
  申请办法:由考生提出书面申请,填写《安徽省初中学业水平体育与健康学科考试免考缓考申请表》(见附件5),详细注明免考原因,并提供残疾证(残疾类别为肢残),由考生所在学校报区教育局初中学业水平体育与健康学科考试工作领导小组审批。区教育局在审批时组织包括医学专家、残联相关专业人士在内的审核组,对免考考生的免考申请及证明材料进行审核,并对该考生进行目测确认,经审核批准的考生,其免考申请表、免考证明材料及审核材料须存入学生档案。

  2.因伤、病长期免修体育课,但未丧失运动能力而申请免考的考生,可根据自身情况申请全部项目或单一项目免考。其中,免考项目的成绩按照该项目分值的60%计分;参加考试的项目,以测试取得的成绩计分。

  申请办法:由考生提出书面申请,填写《安徽省初中学业水平体育与健康学科考试免考缓考申请表》(一式两份,表样见附件5),并提供二级甲等或二级甲等以上医院的病历和诊断证明材料,由考生所在学校报区教育局初中学业水平体育与健康学科考试工作领导小组审批。区教育局在审批时组织包括医学专家在内的审核组对免考考生的免考申请及证明材料进行审核,经审核批准的考生,其免考申请表、免考证明材料及审核材料须存入学生档案。

  3.因伤、病或意外事故等原因暂不能按时参加初中学业水平体育与健康学科考试的考生,可申请缓考。经审批,获准后的缓考考生由市教育局统一组织进行补考(补考时间在“三区”全部考试结束后进行,具体时间和地点另行通知),集中补考仅限一次。补考期间,如因伤、因病仍不能参加补考的考生,须办理免考手续,其成绩按初中学业水平体育与健康学科考试总分的60%计入总分。

  申请办法:由考生提出书面申请,填写《安徽省初中学业水平体育与健康学科考试免考缓考申请表》(见附件5),注明免考、缓考的原因,并提供二级甲等或二级甲等以上医院的病历及诊断证明材料,由考生所在学校报区教育局初中学业水平体育与健康学科考试工作领导小组审批。

六、时间地点安排

  1.根据市教育局的统一安排,经我区初中学业水平体育与健康学科考试工作领导小组研究决定,今年体育考试时间定在2021年4月19-27日在红旗中学进行,各单位纸质报名表,一式两份加盖公章(见附件4),交送到颍州区教育局体卫艺中心(教研一室),截止时间为4月10日下午5:00前,联系人:李盼盼,电话:2262808。

  2.《免考申请表》连同报名表一起上报,《缓考申请表》在考前考务会时上报。

  3.市开发区各初中、实验中学、城南中学、师大二附中的考生参加颍州区组织的体育考试。

七、考试收费

  初中学业水平体育与健康学科考试的收费标准按照安徽省财政厅《关于继续执行初中毕业生升学体育考试收费标准的函》皖价费函〔2008〕40号文件规定,每生收取10元,补考不得再另行收费。对由民政部门认定的低保家庭学生费用予以减免。

八、考试办法及规则

  1.考生凭准考证和考生信息卡(磁卡)参加体育考试。考生参加每个单项的考试均应核对准考证和信息卡,无证无卡者不得参加考试。

  2.每个单项考试场地均安排一名纪检人员现场监督。

  3.考场上设有考试成绩电子公示屏幕,用来公示当天(当场)考试成绩。

  4.每场考试结束后,要在纪检人员的监督下,将成绩拷贝,并进行封存、保密,确保考试成绩安全。

  5.考试按照《国家学生体质健康标准》和《学生足球运动技能等级评定标准》测试规则进行,严格规范操作,不降低计时、测量要求。考生一律不准穿跑鞋、跳鞋(即钉鞋)参加考试。立定跳远、掷实心球项目每人三次,足球折线运球、篮球运球、坐位体前屈每人两次,1分钟跳绳、50米跑、1分钟仰卧起坐(女生)、引体向上(男生)、800米跑(女生)、1000米跑(男生)每人一次,均取最好成绩。50米跑以秒为单位记录测试成绩,精确到小数点后一位,小数点后第二位数按非“0”时则进1。长跑按照分、秒记录成绩,不计小数。长跑项目中如遇受阻、摔跤等特殊情况,经区考试领导小组研究同意可补考一次。在考试过程中,考生错过考试时间、轮次,视为自动弃权。

  6.考试成绩的分数折算严格执行《2021年阜阳市初中学业水平体育与健康学科考试评分标准》。

  7.采用智能化考试手段,以消除人为因素,确保考试公平公正、科学高效。

九、部分项目测试方法

(一)足球折线运球
  测试场地:平整的人工草或天然草足球场,22米×5米区域。起点终点距离20米,标志杆宽间距4米,长间距8米(图1)。

  测试方法:听测评员口令后,从起始线开始运球,分别绕过标志杆外侧,冲过终点线。运球启动开表,运球冲过终点停表。

  评分方法: 测评员计时,对照评分标准给予相应成绩,测试两次,记录最佳成绩,碰倒杆或漏杆则成绩无效。如犯规两次都没有成绩,可补测一次作为最终成绩。

1.jpg
图1


(二)篮球运球
  测试场地:测试场地长20米,宽7米,起点线后5米设置两列标志杆,标志杆距同侧边线3米。各排标志杆相距3米,共5个杆,全长20米,并列的两杆间距1米。测试器材包括秒表(如使用秒表,每道2--3块)、发令哨、30米卷尺、标志杆10根,篮球(6号球)若干(图2)。

2.jpg
图2



  测试及评分方法:受试者在起点线后持球站立,听到出发口令后,按规定方向单手运球依次过杆。发令员发令后开表计时,受试者与球均返回起终点线时停表。每考生测试两次,记录其中成绩最好一次,以秒为单位记录测试成绩,成绩精确到小数点后一位,小数点后第二位数非“0”时进1。在测试中篮球脱手后,如球仍在测试场地内,考生可自行捡回,并在脱手处继续运球,不停表。

  犯规及处理:测试中出现以下现象之一者均属于犯规:出发时抢跑;运球过程中双手同时触球;运球高度超过考生肩部;膝盖以下身体部位触球;漏绕标志杆;碰倒标志杆;测试时人或球超出测试区域;通过终点时人球分离(考生到达终点的瞬间,必须单手或双手触球)。测试次数为两次的项目,犯规一次,以另一次测试成绩为最终成绩;如两次测试均犯规,补测一次作为最终成绩。

 (三)一分钟仰卧起坐
  测试器材:软垫若干,铺放平坦,秒表一块。

  测试方法:受试者仰卧于垫上,两腿稍分开,屈膝呈90度角左右,两手指交叉贴于脑后。另一同伴压住其踝关节,以固定下肢。受试者坐起时两肘触及或超过双膝为完成一次,仰卧时两肩胛必须触垫。测试人员发出“开始”口令的同时开表计时,记录1分钟内完成次数。1分钟到时,受试者虽已坐起但肘关节未达到双膝者不计该次数,精确到个位。使用电子仰卧起坐测试仪时,按照语音提示进行测量,测试数值将自动写入IC卡,并语音提示结果。每人一次机会。

  测试规则:如发现受试者借用肘部撑垫或臀部起落的力量起坐时,该次不计数。测试过程中观测人员应向受试者报数受试者双脚必须放于垫上。

 (四)引体向上
  测试器材:高单杠或高横杠,杠粗以手能握住为准。

  测试方法:受试者跳起双手正握杠,两手与肩同宽成直臂悬垂。静止后,两臂同时用力引体,上拉到下颌超过横杆上缘为完成一次,记录引体次数。下颌达不到横杠上缘,或引体时,身体有摆动、屈膝、挺腹等动作,该次不计数,立即纠正,继续测试。使用电子引体向上测试仪时,应将臂带绑在受试者上臂中部。测试完毕后,显示屏显示 引体向上的次数。每人一次。

  测试规则:受试者应双手正握单杠,待身体静止后开始测试。引体向上时,身体不得做大的摆动,也不得借助其他附加动作撑起。两次引体向上的间隔时间超过10秒终止测试。若受试者身高较矮,不能自己跳 起握杆时,测试人员可以提供帮助。测试时,应有相应的保护措施,防止伤害事故的发生。

十、考场要求

  1.加强体育考点建设。我区2021年体育考场内每个项目安装电子监控系统,对考试项目实施全程监控;为减少人为因素,确保考试过程科学高效和公平公正,采用高科技(电子智能化测试仪器)考试手段,严格按《国家学生体质健康标准》测试中规定的器材规格标准准备好所需器材,以保证考试顺利进行。

  2.考点认真做好考场内外的宣传工作,要张贴体育考试的有关标语,悬挂横幅,营造考试氛围。考场内设主席台,备有广播设备。考试领导小组、总记录、广播员等在此工作,其他人员不得接近。

  3.做好考场内外的安全保卫工作。考场保卫聘请预备役和公安人员担任,考点保卫人员给予配合。考场实行全封闭,除考务人员、监考人员、社会监督员、临场考生及市、区巡视人员外,任何人不得入内。

  4.检录设在考场外,各项目均提前30分钟检录,考生逾期不到者作弃权处理,责任自负。检录处有专人负责将检录后的考生带入考场后,二次检录确定某组项目考区。考试成绩现场公布。

  5.组织编排力求科学,公平合理。每位考生的所考项目在半天内完成。每所学校考生的体育考试在当天安排完,不影响当日返回。考场张贴考试时间顺序及考试办法。《秩序册》将提前发到每个学校的领队手中。

十一、明确职责,强化纪律

  升学体育考试涉及到千家万户,受到学生、家长和社会的高度关注,颍州区教育局对此项工作高度重视。为确保今年体育考试工作顺利进行,做好以下几方面的工作:一是成立考试工作领导小组,并做明确分工,责任到人。区教育局主要负责人现场督查,解决考试中可能出现的困难和问题;二是邀请区人大、区政协等组成社会督查组,接受社会监督;三是设立举报箱,公布举报电话(区教育局举报电话:2267092);四是认真落实责任制和责任追究制,坚持谁主管、谁负责的原则,严肃考场纪律,严格监督机制,杜绝考场作弊事件发生。

十二、安全保障

  1.各校要始终把学生的安全放在第一位,实行考试安全工作责任制,制定并落实初中学业水平体育与健康学科考试工作应急预案。学校要确定一名校长亲自负责,加强对考生、送考人员的安全教育与管理,提高安全防范意识,做好安全防范准备,做到分工明确,坚决杜绝因管理不到位而发生安全事故。确保学生在往返途中及考试期间不出现交通、食宿等安全事故。

  2.初中学业水平体育与健康学科考试前,学校必须组织学生进行常规体检,特别是对学生心肺功能的检查,凡患有疾病,不适合参加初中学业水平体育与健康学科考试的,要坚决实行免考。学校必须与家长对学生健康状况进行签字确认,要教育学生和家长要实事求是,不隐瞒学生疾病情况,切实消除安全隐患。

  3.各校要严格落实国家、省、市、区疫情防控各项要求,加强对师生员工疫情防控知识的宣传教育,认真做好对考生和送考人员的健康监测工作,考试途中和进入考场时必须正确佩戴口罩,考试时不得佩戴口罩。考试前及考试后,教育每位学生用免洗手消毒液或按照七步洗手法,用洗手液或肥皂在流动水下洗净双手,确保各项疫情防控措施落实到位。

  4.考场设立医疗救护点,配备专业急救人员、专用救护车辆及急救设备,并与医疗急救中心保持联系,保障学生考试期间的安全。
请各校接通知后,认真准备,科学训练,严密组织,圆满完成我区今年的初中学业水平体育与健康学科考试任务。


附件:1.2021年阜阳市初中学业水平体育与健康学科考试评分标准(一)
2.2021年阜阳市初中学业水平体育与健康学科考试评分标准(二)
3.2021年阜阳市初中学业水平体育与健康学科考试评分标准(三)
4. 2021年颍州区初中学业水平体育与健康学科考试报名及成绩记录表

5.安徽省初中学业水平体育与健康学科考试免考缓考申请表

                  
阜阳市颍州区教育局
                               2021年3月17日



附件1
3.jpg
4.jpg
5.jpg
6.jpg
7.jpg


| 来源:颍州教育在线
回复

使用道具 举报

  • 您可能感兴趣
您需要登录后才可以回帖 登录 | 快速注册 |

本版积分规则 返回列表

fyw
管理员给TA私信

查看:3834 | 回复:0

QQ| copyright ©2010-2025 fuyangwang.com
Powered by Discuz! X3.5 © 2001-2026 Discuz! Team.
快速回复 返回顶部 返回列表